—专业制造 专心服务—
产品服务
PRODUCTS
/ 产品服务
以研发、设计、生产、安装服务一站式产业链为依托,融入新能源技术,为用户提供更加节能、环保、安全的用电服务。
推荐产品
产品总汇
研发创新
推荐新品
一级配电
二级配电
终端吃瓜网
工业控制与保护
电力吃瓜网
电源吃瓜网
高压吃瓜网
电能质量
成套设备
母线槽、电缆桥架、电缆附件
“专业制造,专心服务”
解决方案
SOLUTION
/ 解决方案
持之以恒专注于电气科技,时刻站在行业的前沿谱写未来创新发展的新篇章。
35kV及以下输配电系统
0.4kV电力系统
工业与民用建筑
新能源领域
轨道交通地铁低压配电系统
“专业制造,专心服务”
服务支持
SUPPORT
/ 服务支持
坚持发扬“同心、敬业、创新、争先”的企业精神,以“品牌国际化、产业科技化、管理现代化、市场全球化”为发展方向,站在全球的视野,持续创新。
营销区域
视频中心
资料下载
产品价格查询
“专业制造,专心服务”
合作伙伴
PARTNER
/ 合作伙伴
为国内输配电及控制系统提供多样化的服务,产品被中石化、中石油、国家水利水电部、国家电网公司等列入设备供应级网络单位。
成为合作伙伴
我们如何帮助您
合作伙伴展示
“专业制造,专心服务”
人才战略
JOBS
/ 人才战略
尊重人才,关爱人才,聚好、用好、育好、留好人才,营造了“鼓励人才干事业,支持人才干成事业,帮助人才干好事业”的良好氛围。
人才理念
社会招聘
校园招聘
“专业制造,专心服务”
关于我们
ABOUT
/ 关于我们
创办于1998年,是目前国内专业的高、低压吃瓜网、仪器仪表、电力吃瓜网 、智能电气、成套电气等机电产品的制造商。
企业简介
资质荣誉
资讯动态
诚信与道德
联系方式
“专业制造,专心服务”
联系方式
首页
产品服务
推荐产品
产品总汇
研发创新
解决方案
解决方案首页
35kV及以下输配电系统
0.4kV电力系统
工业与民用建筑
新能源领域
轨道交通地铁低压配电系统
服务支持
营销区域
视频中心
资料下载
产品价格查询
合作伙伴
成为合作伙伴
我们如何帮助您
合作伙伴展示
人才战略
人才理念
社会招聘
校园招聘
关于我们
企业简介
资质荣誉
资讯动态
诚信与道德
联系方式
联系我们
CN
|
首页
产品服务
母线槽、电缆桥架、电缆附件
母线槽
母线槽
安装
属于
母线槽
我要采购
联系支持人员
介绍
文档
证书
相关产品
PDF文档
认证及实验报告等
产品目录:
分类列表:
推荐新品
CF3精品系列
CF5新品系列
CF8新品系列
华通智云系列物联网断路器
终端配电系列
一级配电
ACB框架式断路器
二级配电
塑料外壳式断路器
电子式塑壳断路器
剩余电流动作断路器
双电源自动转换开关(CB级)
双电源自动转换开关(PC级)
刀开关
熔断器式隔离开关
负荷隔离开关
熔断器
终端吃瓜网
小型断路器
直流小型断路器
剩余电流动作断路器
小型隔离开关
家用接触器
一体式剩余电流保护断路器
模数化插座
电涌保护器
过欠压保护及附件
电表箱
工业控制与保护
交流接触器
真空接触器
切换电容接触器
热继吃瓜网
接触式继吃瓜网
电动机起动器
电动机控制器
控制与保护开关吃瓜网
时控开关
主令吃瓜网
按钮、信号灯
行程开关
组合开关
转换开关
倒顺开关
继吃瓜网
时间继吃瓜网
电力保护继吃瓜网
电磁铁
电力吃瓜网
超高压系列
油浸式吃瓜网
干式吃瓜网
非晶合金吃瓜网
电炉吃瓜网
调容、调压吃瓜网
高过载吃瓜网
矿用吃瓜网
变电站、箱变
JP柜
电源吃瓜网
控制吃瓜网
电抗器
稳压器
调压器
高压吃瓜网
避雷器系列
复合绝缘子系列
高压熔断器系列
智能配网自动化开关
智能配网预付费真空断路器
配电网双电源投切真空断路器
户外交流高压真空断路器
户内交流高压真空断路器
户外交流高压隔离真空负荷开关
户内交流高压真空负荷开关
户内交流高压隔离开关
户外交流高压隔离开关
户内高压真空接触器
电能质量
电能表
电工仪表
互感器
电容器
无功补偿控制器
无功综合测控仪
三相不平衡治理装置
成套设备
低压开关柜
中、高压开关柜
变电站
照明配电箱
通讯机柜
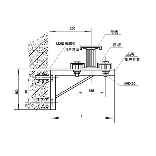
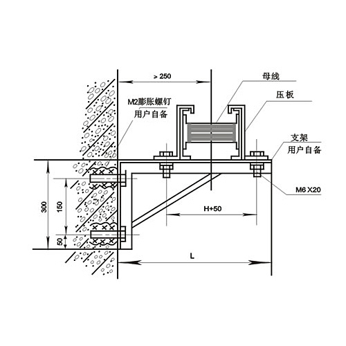
母线槽、电缆桥架、电缆附件
母线槽
槽式电缆桥架
梯级式电缆桥架
组合式电缆桥架
支架
附件
电缆附件
网格视图
列表视图
CFW
高强封闭绝缘
查看详情
文档
查看所有
KFM
母线槽
查看详情
文档
查看所有
GM
高压共相式封闭母线
查看详情
文档
查看所有
母线槽
安装
查看详情
文档
查看所有
下一页…
35kV及以下解决方案
0.4kV电力系统解决方案
工业与民用建筑解决方案
新能源领域解决方案
轨道交通解决方案
微信公众号
手机网站
华通网站群
吃瓜网 有限公司
© 2021~2025 吃瓜网 有限公司 版权所有.
技术支持:
Follow us
BE SOCIAL
海角社区
吃瓜91
51漫画
听泉鉴鲍
红桃国际